| Temperatura sa paligid | -55℃~ 105℃ |
| Pagpaparaya sa Kapasidad | J:±5%;K:±10% |
| Katibayan ng Boltahe | 2.5U R |
| Dissipation Factor | ≤0.01 (20℃, 1kHz) |
| Paglaban sa pagkakabukod | ≥5000MΩ (20℃, 100V, 1min) |
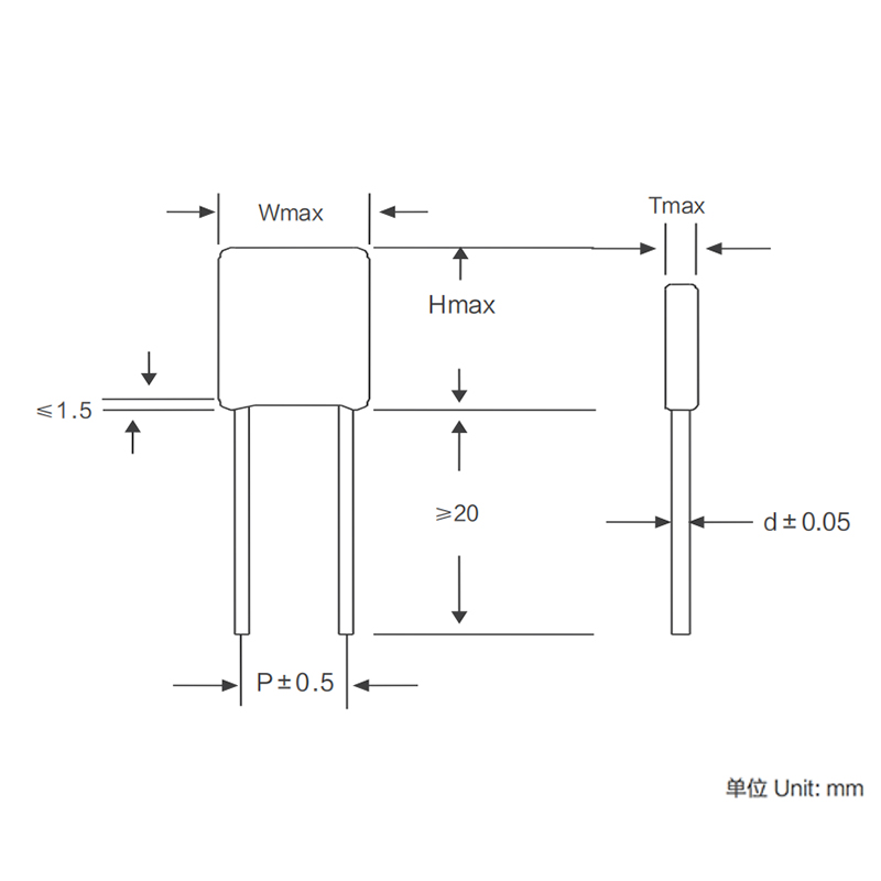
| CAP. | 100V | 160V | 250V | |||||||||
| W | H | T | P | W | H | T | P | W | H | T | P | |
| 222 | 7 | 11 | 4 | 4 | 7 | 11 | 4 | 4 | 7 | 11 | 4.5 | 4.5 |
| 472 | 7 | 11 | 4 | 4 | 7 | 11 | 4 | 4 | 7.5 | 11 | 5 | 5 |
| 682 | 7 | 11 | 5 | 5 | 7 | 11 | 5 | 5 | 8 | 12 | 4.5 | 5 |
| 103 | 7.8 | 10 | 4 | 5 | 7.8 | 10 | 4 | 5 | 8 | 12 | 4.5 | 5 |
| 123 | 7.5 | 11 | 4.5 | 5 | 7.5 | 11 | 4.5 | 5 | 8 | 12.5 | 5 | 5 |
| 153 | 8 | 11 | 5 | 5 | 8 | 11 | 5 | 5 | 8 | 13 | 5 | 5 |
| 183 | 8.5 | 11 | 5.5 | 5 | 8.5 | 11 | 5.5 | 5 | 8.5 | 13 | 5 | 6.5 |
| 223 | 7.5 | 10.5 | 5 | 5 | 7.5 | 10.5 | 5 | 5 | 8.5 | 13.5 | 5 | 6.5 |
| 273 | 8.5 | 12.5 | 4.5 | 5 | 8.5 | 12.5 | 4.5 | 5 | 9 | 13.5 | 5.5 | 6.5 |
| 333 | 8.5 | 13 | 5 | 5 | 8.5 | 13 | 5 | 5 | 11.5 | 14 | 6.5 | 7.5 |
| 473 | 9 | 12.5 | 5.5 | 5 | 9 | 12.5 | 5.5 | 5 | 11.5 | 14.5 | 6.5 | 7.5 |
| 563 | 9.5 | 13 | 6 | 6.5 | 9.5 | 13 | 6 | 6.5 | 12 | 14.5 | 7 | 7.5 |
| 683 | 10 | 13 | 6.5 | 6.5 | 10 | 13 | 6.5 | 6.5 | 12 | 15 | 7.5 | 7.5 |
| 104 | 10.5 | 14.5 | 7 | 7 | 10.5 | 14.5 | 7 | 7 | 13.5 | 15.5 | 8.5 | 10 |
| 154 | 12.5 | 15 | 7 | 7.5 | 12.5 | 15 | 7 | 7.5 | 14.5 | 15.5 | 9 | 10 |
| 224 | 13.5 | 15 | 9 | 8 | 13.5 | 15 | 9 | 8 | 15 | 15.5 | 9.5 | 10 |
| CAP. | 400V | 630V | 1000V | |||||||||
| W | H | T | P | W | H | T | P | W | H | T | P | |
| 471 | 6.5 | 11 | 4.5 | 4 | 7.5 | 12 | 5 | 4 | 7.5 | 12 | 5 | 4 |
| 511 | 6.5 | 11 | 4.5 | 4 | 7.5 | 12 | 5 | 4 | 7.5 | 12 | 5 | 4 |
| 821 | 7 | 11 | 4.5 | 4 | 7.5 | 12 | 5 | 5 | 7.5 | 12 | 5 | 5 |
| 102 | 7 | 11 | 4 | 5 | 7 | 12 | 4 | 4 | 7.5 | 11 | 4 | 5 |
| 122 | 7 | 11 | 4 | 5 | 7.5 | 11 | 4 | 4 | 7.5 | 11 | 4 | 4 |
| 152 | 7.5 | 11 | 4.5 | 5 | 7.5 | 12 | 4 | 4 | 7.5 | 11 | 4 | 5 |
| 182 | 7.5 | 11 | 4.5 | 5 | 7.5 | 12 | 4.5 | 5 | 7.5 | 12 | 4.5 | 5 |
| 222 | 7 | 11 | 5 | 4.5 | 7 | 13 | 5 | 4.5 | 7.5 | 12 | 5 | 5 |
| 272 | 7 | 11 | 4 | 4 | 7 | 13 | 5 | 4 | 7.5 | 12.5 | 5 | 5 |
| 332 | 7.5 | 11 | 4 | 4 | 7.5 | 13 | 5 | 4 | 7.5 | 12.5 | 5 | 5 |
| 392 | 7.5 | 11 | 4.5 | 4 | 7.5 | 13 | 5 | 5 | 7.5 | 13 | 5 | 5 |
| 472 | 7.5 | 11 | 4.5 | 4 | 7.5 | 13 | 5 | 5 | 7.5 | 13 | 5 | 5 |
| 562 | 7.5 | 13 | 5 | 5 | 8 | 13 | 5 | 5 | 8 | 13 | 5 | 5 |
| 682 | 8 | 13 | 5.5 | 5 | 8.5 | 13 | 5.5 | 5 | 9.5 | 13.5 | 6 | 6 |
| 822 | 8.5 | 13 | 5.5 | 5 | 8.5 | 13 | 5.5 | 5 | 8.5 | 13 | 5.5 | 5 |
| 103 | 9.5 | 13 | 5 | 5 | 10 | 14.5 | 5.5 | 7 | 10 | 14.5 | 5.5 | 7 |
| 123 | 9 | 13 | 5 | 6 | 10 | 14.5 | 6 | 7.5 | 10 | 14.5 | 6 | 7.5 |
| 183 | 9.5 | 14.5 | 5.5 | 6.5 | 10 | 14.5 | 6 | 7.5 | 10 | 14.5 | 6 | 7.5 |
| 223 | 10 | 14.5 | 6 | 6.5 | 10.5 | 15 | 6.5 | 7.5 | 10.5 | 15 | 6.5 | 7.5 |
| 333 | 11 | 14.5 | 6 | 7.5 | 11 | 15 | 7 | 7.5 | 11 | 15 | 7 | 7.5 |
| 473 | 11.5 | 14.5 | 6.5 | 7.5 | 14 | 17.5 | 8.5 | 7.5 | 14 | 17.5 | 8.5 | 7.5 |
| 683 | 13.5 | 15 | 8 | 8.5 | 15 | 17 | 8.5 | 7.5 | 15 | 17 | 8.5 | 7.5 |
| 104 | 15 | 15.5 | 9.5 | 10 | 16 | 17 | 9.5 | 10 | 16 | 17 | 9.5 | 10 |
| CAP. | 1200V | 1200V | 1500V | |||||||||
| W | H | T | P | W | H | T | P | W | H | T | P | |
| 471 | 7.5 | 11.5 | 4.5 | 5 | 7.5 | 12 | 4.5 | 5 | ||||
| 511 | 7.5 | 11.5 | 4.5 | 5 | 7.5 | 12 | 4.5 | 5 | ||||
| 561 | 7.5 | 11.5 | 4.5 | 5 | 7.5 | 12 | 5 | 5 | ||||
| 681 | 7.5 | 12.5 | 4.5 | 4 | 8 | 11.5 | 4 | 5 | 7.5 | 12 | 5 | 5 |
| 821 | 8 | 11.5 | 4.5 | 5 | 7.5 | 12 | 5.5 | 5 | ||||
| 102 | 7.5 | 13.5 | 4.5 | 4 | 8 | 13 | 4.5 | 5 | 8 | 13 | 5 | 5 |
| 122 | 7 | 13.5 | 4.5 | 4 | 7.5 | 13 | 4.5 | 5 | 8 | 13 | 5 | 5 |
| 152 | 7.5 | 13 | 4.5 | 5 | 8 | 13 | 5.5 | 5 | ||||
| 182 | 8 | 14 | 5 | 5 | 8.5 | 14 | 5.5 | 5 | ||||
| 222 | 8 | 14 | 5 | 5 | 8 | 14 | 5 | 6 | 8.5 | 14 | 5.5 | 5 |
| 272 | 8.5 | 14.5 | 5 | 5 | 8.5 | 14.5 | 5 | 5.5 | 9 | 14.5 | 5.5 | 5 |
| 302 | 9 | 14.5 | 5.5 | 5 | 9 | 14.5 | 5.5 | 5 | ||||
| 332 | 9 | 14.5 | 5.5 | 5 | 9 | 14.5 | 5.5 | 6 | 9 | 14.5 | 6 | 5 |
| 352 | 9 | 14.5 | 5.5 | 5 | 9 | 14.5 | 6.5 | 5 | ||||
| 392 | 9 | 14.5 | 6 | 5 | 9 | 14.5 | 6 | 6 | 9 | 14.5 | 6.5 | 5.5 |
| 402 | 9 | 14.5 | 6 | 5 | 9 | 14.5 | 6 | 6 | 9.5 | 14.5 | 6.5 | 5.5 |
| 432 | 9 | 14.5 | 6 | 6 | ||||||||
| 452 | 9.5 | 14.5 | 6 | 5 | ||||||||
| 472 | 9.5 | 14.5 | 6 | 5 | 9 | 14 | 5.5 | 6 | ||||
| 502 | 10 | 14.5 | 6 | 5 | ||||||||
| 562 | 11 | 15 | 6 | 5.5 | 11 | 15 | 6 | 7 | ||||
| 682 | 11.5 | 15.5 | 7 | 7.5 | ||||||||
| 822 | 11.5 | 15.5 | 7 | 7.5 | ||||||||
| 103 | 12.5 | 17 | 7.5 | 7 | 12.5 | 17 | 7.5 | 7.5 | ||||
Sasagot kami sa iyo sa loob ng 12 oras ng araw ng trabaho.
Mayroon kaming sariling pabrika, mayroon din kaming sariling internasyonal na departamento ng pagbebenta. Ginagawa at ibinebenta namin ang lahat nang mag-isa.
Nakatuon kami sa mga capacitor ng pelikula.
Ginagamit ang aming mga produkto sa malawak na hanay ng mga aplikasyon, kabilang ang mga gamit sa bahay, mga suplay ng kuryente, metro ng kuryente, ilaw, welding machine, rail transit, electric vehicle, power grids, UPS/EPS, kagamitang medikal, photovoltaic inverters, wind power converter, at higit pa.
Oo, eksperto kami sa paggawa ng mga customized na produkto ayon sa mga drawing o sample ng mga customer.
Walson Ang electronics ay itinatag sa 2001, na may higit sa 20 taong karanasan sa R&D, pagmamanupaktura, pagbebenta at serbisyo ng mga film capacitor. Custom CL11 Inductive Metallized Foil Polyester Film Capacitor Mga tagagawa at CL11 Inductive Metallized Foil Polyester Film Capacitor Pabrika
Palagi kaming sumusunod sa kooperasyon ng advanced na automation at industriyalisasyon. ang kumpanya ay patuloy na nagpapakilala sa domestic at foreign outstanding production equipment, habang self-developed production management software, enterprise collaborative na pamamahala sa siyentipiko at mahusay na operasyon, ay nakamit ang 1 bilyon/taunang kapasidad ng produksyon na tagumpay, at nagpapanatili ng maayos na pagtaas.
Walson Ang mga produktong elektroniko ay sumasakop sa higit pang mga industriya, kabilang ang bagong industriya ng enerhiya at kapangyarihan, Photovoltaic inverters, LED lighting, mga gamit sa bahay at ibat ibang pinagmumulan ng kuryente at iba pang industriya.
Ang pagsunod sa konsepto ng makabagong teknolohiya, tapat na serbisyo at propesyonal na kalidad, Walson Patuloy na itinutulak ng Electronics ang mga produktong capacitor at siguradong magiging pioneer ng industriya na may mga makabagong pakinabang.
Mga Tampok: Mas mahusay na electric property, ... Tingnan ang Higit Pa
Mga Tampok: Mas mahusay na electric property, ... Tingnan ang Higit Pa
Mga Tampok: Mas mahusay na electric property, ... Tingnan ang Higit Pa
Mga Tampok: Dalawang panig na metalized na kon... Tingnan ang Higit Pa
Mga Tampok: Double-sided metallized electrode,... Tingnan ang Higit Pa
Mga Tampok: Metalized polyester film, stacked ... Tingnan ang Higit Pa
Mga Tampok: Pelikula/foil, non-inductive na ur... Tingnan ang Higit Pa
Mga Tampok: FR-4 epoxy tube cylinder shell, dr... Tingnan ang Higit Pa
Sa susunod na Lunes, ang India ay nalubog sa isang karagatan ng mga makikinang na ilaw ...
MAGBASA PAPanimula sa Metallized film capacitors Sa modernong electronics ng kurye...
MAGBASA PAAng lumalagong kahalagahan ng kalidad ng kapangyarihan sa mga sistema ng inverte...
MAGBASA PAPanimula Sa umuusbong na tanawin ng mga elektronikong sangkap, ang ...
MAGBASA PAAng mid-autumn festival, na kilala rin bilang Moon Festival, ay isang tradisyunal na ho...
MAGBASA PA
Copyright © Wuxi Walson Electronics Co., Ltd.  Custom CL11 Inductive Metallized Foil Polyester Film Capacitor Mga tagagawa

